2010-10-19[n年前へ]
■「大ヒットを生み出すバイラル・ループ」のブロック線図を描いてみよう!? 
 「バイラル・ループ あっという間の急成長にはワケがある
」という本を読みました。ひとことで内容を書くならば、「大ヒットするWEBサービスは、使ったユーザが周りの人を勧誘し、さらにユーザが増えることにより生まれた」ということを実例とともに振り返る、というものです。NCSA MOSAICや、eBayなどのスタートアップ当時の話が書かれていて、なかなかに面白く読みました。ユーザ数を増加させる営業活動と、その一方で増大する負荷に耐えるシステムの構築、という辺りはどの実例でも非常に苦労していて、その顛末を読むと意外なほどにワクワクさせられます。
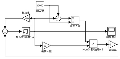
この本のタイトルにもなっている、バイラル・ループ(VIRAL LOOP)というのは、「使ったユーザが周りの人を勧誘し、さらにユーザが増える」という状態を指しています。タイトルになっているとはいえ、バイラル・ループ自体の話は、さほど興味深くも面白くもないのですが(個人的な感想です)、バイラル・ループを説明する図のひとつが制御工学のブロック線図のような具合で描かれていて、その部分には興味を感じました(解説中に出てくる閾値が0ではなく、1になっている理由は良くわかりません)。その図が下に貼り付けたものです。
せっかく、ブロック線図っぽい解説図が描いてあるのですから、大ヒットを生み出すバイラル・ループの(シミュレーションも可能な)ブロック線図を描いてみることにしました。それが、下に張り付けた図です。たとえば、このブロック線図のモデルをSimulinkのようなソフトウェアでなぞり、そしてシミュレーションでもしてみれば、ネズミ算的にユーザ数が増大していき、限界量増えた後は停滞する、という「大ヒットから熟成期までの」の過程を再現することができるだろうと思います。
「使ったユーザが周りの人を勧誘し、さらにユーザが増える」というだけの現象も、もしかしたら、色んな眺め方をしてみると面白いかもしれません。

