2000-09-26[n年前へ]
■高鳴る鼓動は何のせい!? 心電図編 
力尽きた時はその時で、笑い飛ばしてよ。
「人間は生まれた時は自由である。しかし、いたるところで鉄鎖に繋がれている。」といったのはルソーである。確かに、その通りだ。生まれたばかりの赤ちゃんの全裸ヌードは、朝からテレビで放送されているのに、大人の全裸ヌードには必ずと言って良いほどモザイクなどが掛けられてしまうのである。どちらも同じ全裸ヌードにも関わらず、生まれたばかりの時と大きくなってからでずいぶんと扱いが違うのである。「人間は生まれた時には自由なのに、大人になると規制がかかってしまう」のである。ルソーの言った通り、映倫やビデ倫が大人になった人間には規制をかけてくれるのだ。
ところで、少なくとも昔の私はこんな規制が全く不必要であった。といっても、聖人君子のような悟りを開いていたわけではもちろんなくて、それには深い事情があったのである。
高校時代の体育の授業で体操をしていた時のことだ。確か前宙か何かに失敗して私は頭からマットの上に真っ逆さまに落ちた。ちょうど、横溝正史の描く「湖面の上に足だけを付き出した死体」のように私はマットに突っ込んだのである。いや、その時は冗談で無しに一瞬自分が死んだかと思ったくらいだった。「どうせ死ぬならもっと格好良い死に方をさせてくれぇ」と思うくらいのヒドイぶつかり方だった。その時は、ズキ・ズキ・ズキ…と死ぬかと思うほどのヒドイ頭痛に襲われたが、それも結局30分位でなんとか治まったのである。少なくとも、その時には「治まった」と思ったのである。
ところが、その後遺症はすぐに(?)私の目の前に現れたのである。何とも、その後遺症はイヤな再登場をしたのであった。
深夜TV、いや11PMか何かだったか、とにかく何かのテレビを私が眺めていると、大胆な水着の女性が登場した。私の「血圧も心拍数も心持ちアップ(従来比)」した、と思った瞬間、ズキ・ズキ・ズキ…とあの死ぬかと思ったヒドイ頭痛が再登場したのである。別にアンコールをしたわけでもないのに、勝手に頭痛が再登場したのである。全然大胆な水着の女性を眺める暇なんかもなくて、私はただ頭を抱えて転げ回るだけだった。
この頭痛はこの一回ポッキリでなくて、私が少しでもエロを感じるたびに再登場した。もうエロビデオ何か見ようなどととしたらもう大変である。映倫のモザイクが登場するより早く、私の頭の中の倫理協会の拒否権が発動されるのである。映像美に私の心臓が「ドキ・ドキ・ドキ…」とときめいたりするとモウ大変、悪さをした孫悟空が三蔵法師に緊箍(きんこ)を小さくされて苦しむように、私も同じく七転八倒しなければならないのである。映倫やビデ倫のモザイクはただ見えないだけであるが、私の心の中の倫理協会は肉体的な制裁まで加えてくれるのであった。真夏のただでさえ暑くて心臓がドキドキしている時なんかに、エロビデオを見ようなんて思ったらもう大変、百発百中病院行きだったのである。
その後、私は頭痛に苦しめられるたびに病院へ行った。医者はその度「どうしました?」と聞くわけであるが、そう言われても私も困ってしまうのである。まさか、「テレビのエロシーンに興奮したら、ひどい頭痛に襲われました。」などと答えるわけにはいかない。いや、もっとはっきり言ってしまえば「宇宙企画のビデオに興奮して、頭痛に襲われました。」などと言うわけにはいかないのである。
そんなことを言ったら最後、「宇宙企画のビデオに興奮って、アンタそれでは変態ロリ野郎ですよ。」等と医者に言われかねない。それどころか、「頭痛ってアンタそりゃ、天罰ですよ。ヘッヘッヘ…」などと医者に言われかねないのである。しょうがないので、私は「いや、なんか急にちょっと頭痛がして…」などと体中にダラダラと汗をかきながらウソをつくしかなかった。当然だとは思うが、間違っても
エロビデオに興奮 -> 心臓ドキドキ -> 頭痛ズキズキという、うれし・恥ずかしフローチャートを告白するわけにはいかなかったのである。
結局、何回か脳波検査等を受けたりはしたのであるが、結局よく判らないままだった。どんなときに頭痛が起きるかを正直に言わず、ウソばかり喋る患者だったのだからしょうがないかもしれない。それでも、数年の内にいつの間にか直ってしまった。ともあれ、一時は心臓がドキドキと打つ心拍音を気にしながら、11PMを見たりしていたのであるが、いつの間にか堂々心拍数を気にせず見ることができるようになったのである。
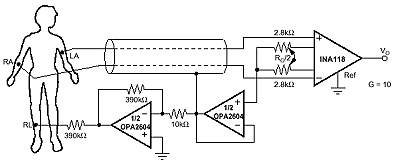
そんな過去を思い出したのは夜の仕事場でだった。その時、私はとあるセンサ用の回路をせっせと組み立てていた。その時にBURR-BROWNのINA118という石を使ったのであるが、このデータシートには何とこんな使用回路例が載っていたりするのである。もともと、微小電位増幅用の石だからとても自然な応用回路例ではあるのだが、やはり回路図の中に人間が登場すると何故か笑ってしまう。疲れてハイになっていた私は大笑いすると共に、心電図や脳波検査を受けた昔を思い出したのであった。
![]() http://www.burr-brown.com/WebObjects/BurrBrown/download/ DataSheets/INA118.pdf |
この回路は人間の体の微小電位を増幅して計測してやる回路であるから、この回路を使えば人間の体の電気的な活動を見てやることができる。この手のことが詳しくやりたかったら、やはり「今日の必ずトクする一言」とか「魅惑の似非科学」といったところを眺めると良いと思う。
ともあれ、かつて私は
エロビデオに興奮 -> 心臓ドキドキ -> 頭痛ズキズキという「うれし・恥ずかしフローチャート」に苦しめられていたわけであるが、逆にこの石を使って「心臓ドキドキ」を計測して、逆に「私の興奮度合い」を眺めてやろう、私は決意したのである。そして、私の興奮度合いだけでなくて他の人の興奮度合いも覗きまくろう、と考えた。
そこで、早速この回路図を元に組み立ててみたのがこの「Heartbeat1000」だ。安定性なんか無視しまくりのブレッドボード使用でそのくせGainは1000倍に変更という、無意味なエアロパーツを付けたヤンキー車のような仕様である。製作時間は本体が15分、さらに電極部分が30分というお手軽装置だ。
![]() |
一応、電極部はこんなベルト固定式にしてあるので「誰でも簡単に使える」ようになっている。しかし、このベルトで体に電極を張り付けた状態というのはかなりサイバー(よく言えば)であり、他のもっと正直な言い方で言うとかなりアブナイ状態である。これを付けていると、それだけで受けが取れるのではないかと思えるほどだ。
![]() |
それでは、早速この電極を胸に張り付けた状態でWEBサーフィンでもしてみることにしよう。自分の興奮度合いが丸見え状態での「うれし・恥ずかしWEBサーフィン」である。
まずは、自分のWEB「hirax.net」を眺めてみた。その時の「Heartbeat1000」の出力がこんな感じである。これが私の心電図というわけだ。左上の時間・電位レンジを見ると、
横軸が一マス一秒で、心拍が大体一秒間に一回で、その時に「Heartbeat1000」の出力にして5V程度のパルス(ゲインが結構高い)が出ていることが判る。この画面中では、13回心臓がドキドキしている。この画面は十秒間の記録画面であるから、一分当たりに直すと心拍数は78回ということになる。
縦軸が一マス5V
![]() |
当たり前と言えば当たり前だが、自分のWEBを眺めてもそうそうドキドキはしない。とんでもないミスを見つけたりすると、ものすごくドキドキすることもあるが今回は軽く眺めただけなのでそんなドキドキは幸運ながらなかった。せっかくだから、自分のWEBを眺めて楽しくてドキドキしてみたいものではあるが、不幸なことにそんなことも全くなかった。実に残念なことだ。
そこで、次にZAKZAK(http://www.zakzak.co.jp/)でスポーツニュースを眺めてみた時の心電図が次の結果である。
![]() |
こちらは、画面中の心拍数が14回であるから、一分に直すと84回である。さっきよりは幾分興奮しているようである。あくまで、ZAKZAKのスポーツニュースであって「ギャル満載」のコーナーでないということは、データの正確さの為にここに宣言しておきたい。
そして、最後に興奮しそうなスケベサイトということで、かつて一世を風靡し、インターネットの牽引役ともなった(言い過ぎか?)TokyoTopless(http://www.tokyotopless.co.jp/)を眺めてみた
![]() |
こちらも、10秒間の心拍数が14回で一分当たりでも同じく84回だ。つまり、私はエロサイトを見ても「心頭滅却し火もまた涼し」状態で、何の興奮もしていないのである。少なくとも、私はZAKZAKのスポーツニュースと同じ程度にしか興奮しないようだ。私は正に聖人君子なのである。さすが、
エロビデオに興奮 -> 心臓ドキドキ -> 頭痛ズキズキという「うれし・恥ずかし聖人君子養成ギブス」で何年も鍛えただけある。もう、清廉潔白を絵に描いたような状態である。えっ、何やら「Heartbeat1000」の出力が何か不安定になっているって?どうみても興奮しているって?本当はこのあと興奮しすぎたせいで、データ取得ができなくなったんだろうって? いいじゃないの、そんなことは…
ところで、こんな風にオシロスコープの画面で自分の心臓が動くようす、自分の生きているようすを自分の目で見ているととても不思議な気持ちになる。私が興奮すれば、オシロスコープに描かれていく画面は高鳴る鼓動を見せてくれるし、何かに苦しめばやはり同じようにその変化を見せてくれるだろう。ただ規則正しくパルスを描くオシロスコープの画面を見ながら、色々なことを考えてしまうのだ。もし、このオシロスコープの軌跡が停止したら、どうなるだろうか?その時何を思うだろうか?
2000-10-19[n年前へ]
■Evey little thing we ee is magic. 
WEBページで作るOscylinderscope
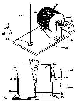
先日、The Reuben H. FleetScience Centerという科学館に遊びに行った。そこで面白いものをみかけた。それはOscylinderScopeという名前のもので、下の写真のようなものだった。
![]() |
Oscylinderscopeの作者のNorman TuckのWEBサイト
- A Catalog of Kinetic Sculpture byNorman Tuck
- ( http://www.normantuck.com/ )
- TheOscylinderScope
- ( http://www.normantuck.com/catalogPages/oscylinderScope.html)
電気的な変化する信号に合わせて、光の点をsweepさせることで波形を描き出すのがオシロスコープだが、このOscylinderScopeもドラムをい回転させて、ドラム上に描かれた白い線が振動するギターの弦の後ろをsweepして、ギターの弦の振動する様子を描き出すのである。
参考までにNorman TuckがOscylinderScopeに関して取得しているUnites StatesPatent 5,975,911から判りやすそうな図を下に示しておく。揺れる棒の様子がSin波状に見えている、という説明図である。
![]() | ![]() |
このOscylinderScopeにはとっても単純だけど素敵な科学的なアイデアと、展示物としてのセンスと、そして何故かちょっとうれしくなるようなバカバカしさが感じられて私はとっても大好きだ。そこで、一ファンとして私も「WEBページで作るOscylinderscope」というのをやってみることにした。
といっても、やることは単純に単なる速く移動する白い線をパソコン画面に映し出すだけである。そして、その前で何かを振動させてその振動の様子を可視化するのである。
まずは、Oscylinderscope風アニメーションGIFだ。おそらくInternetExplorerではゆっくりとしか再生されないと思うが、NetscapeCommunicatorであればプラットホームにもよるが高速に再生することができると思う。少なくとも、Linux上のNetscapeNavigatorではかなり速く再生されるハズだ。
![]() |
このアニメーションを再生できない環境の人のために、動画ファイル版にしたものもここにおいておく。
- oscylinderscope.avi ( 145kB )
このアニメーションGIFや動画ファイルを再生して、部屋の電気を暗くしてみる。すると、CRTの画面というのはとても明るいので、部屋を暗くしてCRTだけをつけておくと、CRT画面に映し出されている色に部屋が染まる。部屋がそんな風にチカチカした状態で、画面の前で何かを振動させると、アラ不思議その物体の振動の様子が何やら変な風に見えてくる。例えば、真っ直ぐな細い棒を「Oscylinderscope風AVIファイルの前で棒を揺らしてみたところ」である。写真では判りにくいと思うが、真っ直ぐな棒がウニョロウニョロと曲がって見えるだろう。とにかく、真っ直ぐな棒が振動する様子を静止したイメージで目にすることができるのだ。
![]() |
ところで、私はこんなOscylinderscopeを見ていると、ナポレオンズの「首グルグル・マジック」を連想してしまう。一カ所だけ穴の開いた筒を頭にかぶる。そして、穴の部分から顔を覗かせる。筒を回転させ始めると、なんと顔がずっと見え続ける、つまりエクソシストの少女のように首が回転しているのだ!これがマジックかぁ?と言う人も多いかもしれないが、私はこれこそ本当にmagicそのものだと思う。このマジックには、目に見えていない瞬間に起きていることは結局想像するしかない、という本当の真実と、何故かもう嬉しくなるくらいのバカバカししさが同居していて私は大好きなのだ。他の人はどう思うか知らないけれど。
2002-12-04[n年前へ]
■夜の世界で名前を描く 
夜に車に乗りながら写真を撮ると、撮った写真はもちろんブレてしまう。手振れもするし、車も動いているし、周りの光も動いているから当然ブレる。もちろん、「安全運転だけを」考えながらブレないように気を付けているのだけれど、今日はこんな風に考えてみた。夜撮る世界がブレるのは当たり前だろう。だったら、そのブレで世界を記録してやれ、と考えたのである。
で、撮った写真はこの二枚。まず、一枚目はわざと手を動かして、自分の名前"Jun"という風に世界が揺れ動くようにして、夜の世界で"Jun"と自分の名前を描いてみた。夜景で描いた私のサインだ。
そして、二枚目はひたすらカメラをシェイクし、駆け抜けていく世界をオシロスコープのように記録してみた。早いものはまっすぐに、遅いモノは揺れ動かしてみたのだ。というわけで、揺れ動く今日見た夜の世界です。
2007-12-23[n年前へ]
2013-03-07[n年前へ]
■「音採り鉄っちゃん(技術系)」に(自分が)なってる?と気づく恐怖! 
スマートフォン上で動くオシロスコープ(ソフトウェア)も多いので、そういったアプリ(ソフト)を使って、電車(列車)の稼働音の波形や周波数分布を眺めることにハマってます。…この路線・この列車・この位置での音場はこうなっているんだな…と思いながら、スマホの(音声波形や音声周波数を示す)オシロ画面をグフグフ小笑いしながら(列車の中でスマホ画面を)眺めるのです。…第三者として眺めれば、それって客観的にはアブナイ人なのかも、と気づきます(その証拠に、周囲の人が距離を置きがち…)。
スマホ上で動く、各種計測アプリケーションソフトは、数多くあります。そんなソフトがで眺めることができる世界は、定量的に眺めることでとても面白い世界になったりするのかも…と思います。












